节能减排评价标准发布,10月1日正式实施!

日期:2022-09-13

来源:碳排放综合服务平台

阅览量:2814

编辑:tpfpx-08

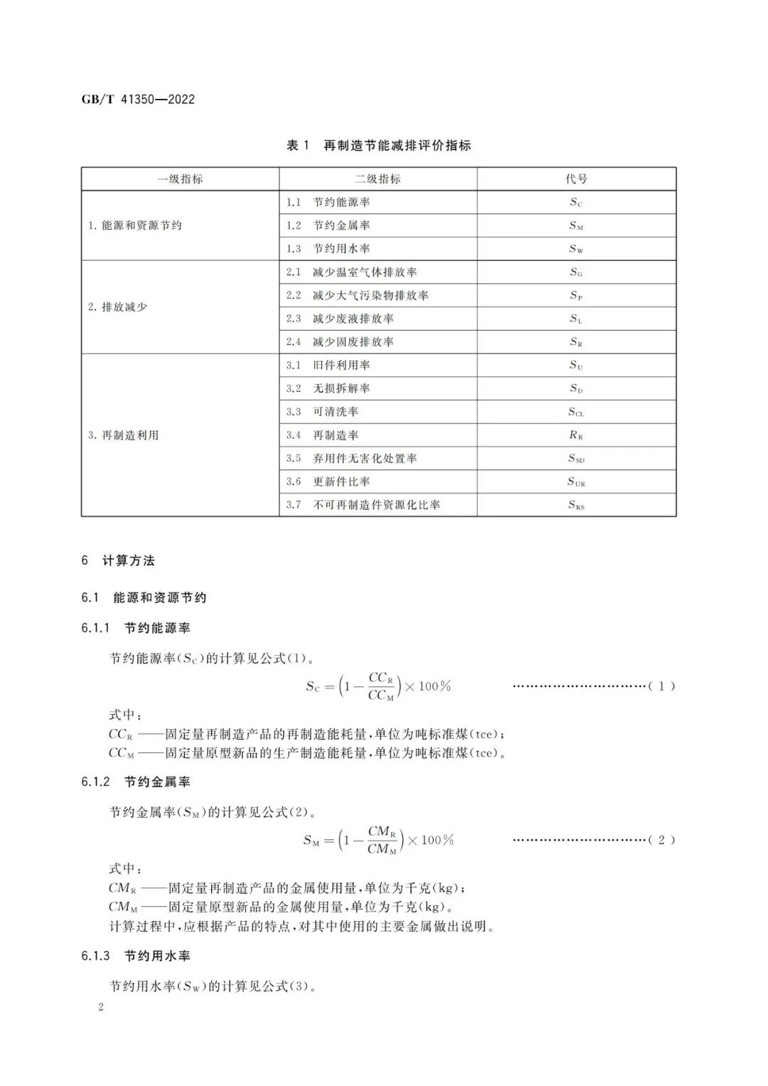
本标准规定了机电产品再制造节能减排评价指标及计算方法。适用于中国境内的机电产品再制造组织开展节能减排评价活动,将于10月1日起正式实施。

本标准的意义在于通过结合中国循环经济与再制造的特点,完善了我国循环经济综合评价指标体系。同时,能够有序引导、规范中国再制造产业的发展。


指导单位:中国机电装备维修与改造技术协会职业技能教育分会
主办单位:北京华文燕园教育科技股份有限公司
              (北交所新四板挂牌,代码:100287)
运营单位:华文智辰EduPower数字平台服务中心
邮箱:xzyzg2020@sina.com
电话:010-82755303
备案号:京ICP备05068353号-60
软件系统:华文智辰EduPower V8.3.3 教育数字化网站系统
授权服务